Online inquiry

搜索信息

Product
Home > Product
Silicon carbide manual welding ZX7-400S Price:¥

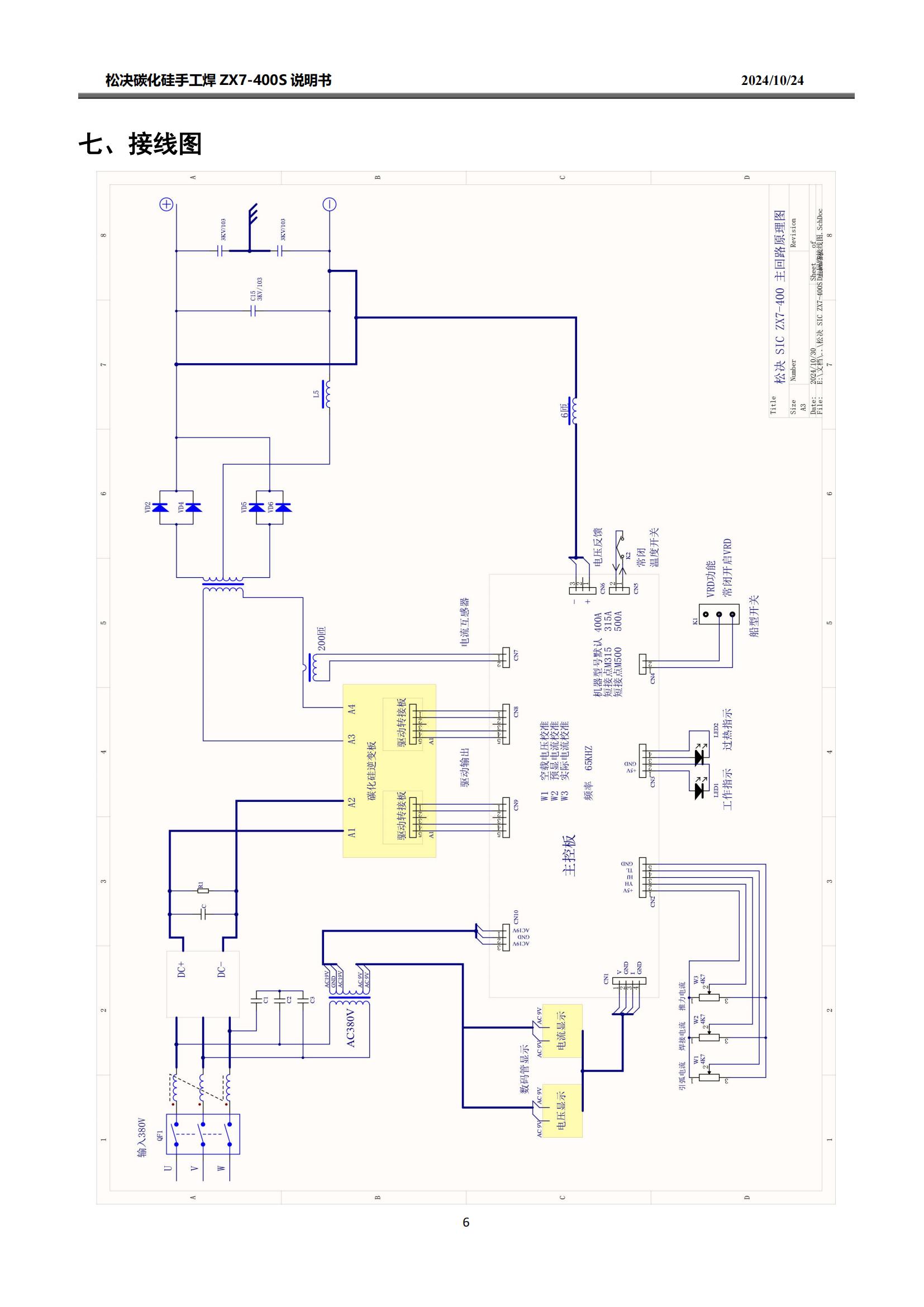
碳化硅手工焊主控板 ZX7-400S 是专门针对碳化硅 MOS 功率器件设计,集碳化硅 MOS 管驱动控制于一体;适用于手工药皮,酸性、碱性焊条,气刨,钢筋对焊等焊机。该板有外形尺寸小,集成度高,外围引线少,成本低,使用方便等优点,引弧电流、焊接电流、推力电流分别可调,双表头显示,可分别显示预置电流、焊接电压,带 VRD 功能开关,电源指示灯、异常指示灯,适用于 315、400、500 机型

Online inquiry
Detailed content Specification parameter Product packaging


© 2025 Shanghai Songjue Technology Co., Ltd  All Rights Reserved.   备案号:沪ICP备2025120553号-1 腾云建站仅向商家提供技术服务